Hydraulický válec CS-8

  • Velmi tenký, 2/3 oproti normální délce.
  • Vestavěný zpětný ventil s bezpečným automatickým zámkem.
  • Montáž ze zadní strany možná.

POPIS

hydraulicky_valec_CS_1 hydraulicky_valec_CS_2 hydraulicky_valec_CS_3

SPECIFIKACE:

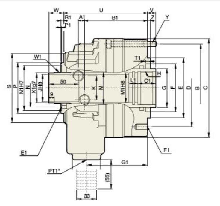
ROZMĚRY: